產品系列
機封和填料
機封和填料
發布時間:2018-05-26 點擊次數:23398 次

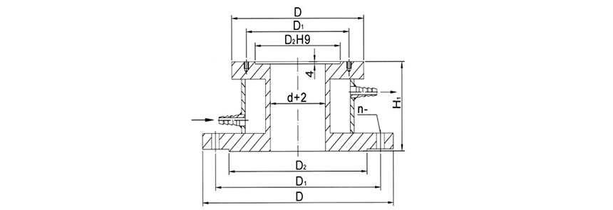
釜用密封輔助裝置調溫器
為改善授拌軸支承穩定性,降低密封腔的工作溫度,提高使用性能,可根據攪拌軸直徑d及對應的標準系列,選用對應的CT調溫器可與機封做成一體。安裝尺寸與對應的機械密封一致。
高度H1與軸徑有關,當d<70時,H=70;當70<d<100時,H1=100;當d>100時;H1=130。

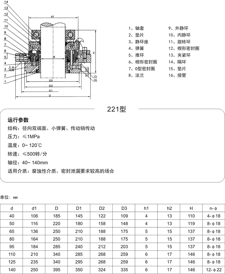
釜用雙端面機械密封帶高位槽輔助裝置
(1)安裝前先檢查軸的軸向竄動不大于0.5mm,徑向擺動不大于0.5m。安裝機械密封的法蘭與軸線不垂直度不大于0.05m,安裝機械密封部位的軸公差為h8,光潔度為3.2。
(2)該裝置多在負壓情況下配用,也可用在正壓工況,負壓時高位槽可不用通氣源,正壓時高位槽接通氣源,調整好壓力使高位糟及密封腔壓力與釜內壓力處于相等或高于釜內工作壓力0.05-0.1MPa為好。
(3)設備運轉時應經常觀察過高位槽視鏡內封液位置及時補充。
(4)高位槽安裝一般應高于機械密封頂部0.6-1米。
(5)機械密封安裝好后應排除空氣。
(6) 機械密封安裝后應用水試運轉24小時候再正式投料。
(1)安裝前先檢查軸的軸向竄動不大于0.5mm,徑向擺動不大于0.5m。安裝機械密封的法蘭與軸線不垂直度不大于0.05m,安裝機械密封部位的軸公差為h8,光潔度為3.2。
(2)該裝置多在負壓情況下配用,也可用在正壓工況,負壓時高位槽可不用通氣源,正壓時高位槽接通氣源,調整好壓力使高位糟及密封腔壓力與釜內壓力處于相等或高于釜內工作壓力0.05-0.1MPa為好。
(3)設備運轉時應經常觀察過高位槽視鏡內封液位置及時補充。
(4)高位槽安裝一般應高于機械密封頂部0.6-1米。
(5)機械密封安裝好后應排除空氣。
(6) 機械密封安裝后應用水試運轉24小時候再正式投料。















相關產品